Question #220644

You are hired by someone to design a charger circuit for his cell phone. Design a cell

phone charger cell phone requires exactly 5V and 2A for one hour

to be completely charged. charging circuit by only using the components listed in Table 1. For circuit design and calculations

purposes, the cell phone can be treated as resistor. Use the symbol of rectangle to show the cell phone in

your circuit.


table 1


Equipment Value Quantity

Resistor 500Ω 15

Capacitor 0.2 F 15

Switch SPST 15

Bulb 2.5W, 0.5A 15

Voltage Sources 1.5V 2


1

Expert's answer

2021-07-27T07:54:01-0400

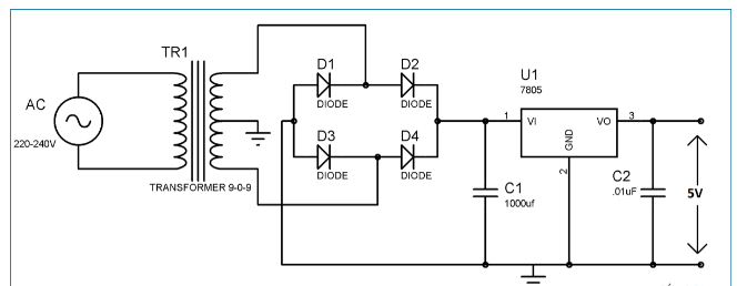
Step down AC voltage

It is critical to choose the right transformer. The current rating is determined by the current demand of the load circuit (circuit which will use the generate DC). The voltage rating should be more than the voltage required. If we need 5V DC, the transformer should have a rating of at least 7V because the voltage regulator IC 7805 requires at least 2V extra, i.e. 7V, to give a 5V voltage.

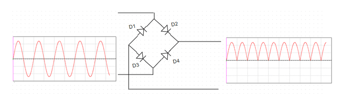
Rectification

A complete wave bridge rectifier component, consisting of four diodes internally, is available on the market.



Filtration



Voltage Regulation

To deliver a controlled 5v DC, a voltage regulator IC 7805 is utilized. For effective operation of the IC, the input voltage should be 2volts higher than the rated output voltage, which implies at least 7v is required; however, it may function in the 7-20V input voltage range. Voltage regulators contain all of the circuitry required to provide a properly controlled DC. To reduce noise caused by sudden fluctuations in voltage, attach a 0.01uF capacitor to the 7805's output.



The entire circuit schematic for the cell phone charger circuit is as follows:


Need a fast expert's response?

Submit order

and get a quick answer at the best price

for any assignment or question with DETAILED EXPLANATIONS!

Comments

No comments. Be the first!
LATEST TUTORIALS
APPROVED BY CLIENTS