Question #85271

Describe the working of push-pull amplifier and explain why its operation is highly
efficient?
1

Expert's answer

2019-02-20T13:47:19-0500

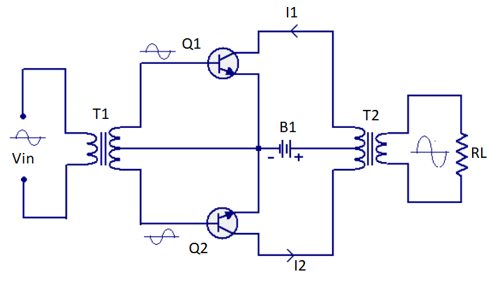
A push-pull amplifier is a BJT of MOSFET-based amplifier that is being used for driving a load current in either direction. Look at the scheme (as an example the class B amplifier is shown).



The secondary side of the input coupling transformer T1 splits the input signal into two signals with equal magnitude but opposite phase. These signals come to base of the transistors with their emitters connected to one "-" of the battery B1 and to each other. The primary side of the output transformer T2 will not have saturation because of the currents I1 and I2. The current in the secondary of T2 is a difference between two currents induced by corresponding collector currents, that is why there will be no harmonics. So we see that the push-pull amplifier has low signal distortion, no magnetic saturation, absence of hum.


Need a fast expert's response?

Submit order

and get a quick answer at the best price

for any assignment or question with DETAILED EXPLANATIONS!

Comments

No comments. Be the first!
LATEST TUTORIALS
APPROVED BY CLIENTS