Answer on Question #61198-Engineering-Electrical Engineering
Help me solve this nodal analysis
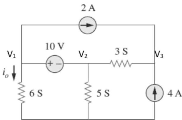
3.15 Apply nodal analysis to find i0 and the power dissipated in each resistor in the circuit.

Solution

Nodes 1 and 2 form a supernode so that v1=v2+10 (1)
At the supernode, 2+6v1+5v2=3(v3−v2)→2+6v1+8v2=3v3 (2)
At node 3, 2+4=3(v3−v2)→v3=v2+2 (3)
Substituting (1) and (3) into (2),
2+6v2+60+8v2=3v2+6→v2=−1156=−5.1Vv1=v2+10=1154=4.9Vi0=6v1=29.45AP65=v12G=(1154)26=144.6WP55=v22G=(−1156)25=129.6WP35=(v2−v3)2G=(2)23=12W
http://www.AssignmentExpert.com
Comments
Dear Marshall, You're welcome. We are glad to be helpful. If you liked our service please press like-button beside answer field. Thank you!
thank you so much!